Dongguan Yanghan Industrial Co., Ltd.

开启搜索
CLOSE
SEARCH

Wire clip

WA2-2
Wiring clamp terminal series

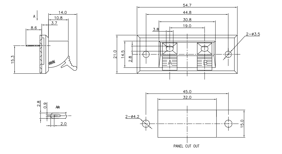
WA2-2

Wiring clamp terminal FEATURE ‧54.50mm*21.00mm ‧Easy to install and low cost ‧With insulation, anti-vibration APPLICATIONS ‧ Transformers, circuit breakers, transformers, isolation switches, wall sleeves, audio, power amplifiers, etc.
 

Manual

COMMON SPECIFICATIONS

CharacteristicsSpecification
額定負荷/Rated loadAC 50V 3A

接觸電阻/Contact resistance

≤0.03Ω

絕緣電阻/Insulation resistance≥100MΩ
線保持力/Line retention

1kgf


DIMENSIONS

Unit:mm

ModelDimensions

WP2-2WA2-2


WA2-2




 
X
GO TOP
GO TOP