Dongguan Yanghan Industrial Co., Ltd.

开启搜索
CLOSE
SEARCH

TYPE-C USB 2.0 /3.0插座

TYPE-C-10-002/12-001
USB 3.1Waterproof TYPE-C Connector

TYPE-C-10-002/12-001

Waterproof TYPE-C F10P SMT Socket with 1.58mm 沉板 Height, 2-Pin/4-Pin (Rear Pins), 7.6mm Length FEATURE ‧11.30mm*7.60mm ‧ Pin No.: 10 pin ‧ Mid Mount ‧ Waterproof IPX7 APPLICATIONS ‧ Mobile Power Supply;Charger;Storage (Personal Cloud, Network-Attached Storage);Smartphone;Notebook (Laptops);Hybrid-Detachable (NB-Tablets);Docking;Peripherals (Monitor/Display, Projector…);Automotive Infotainment;Home Entertainment
 

Manual

COMMON SPECIFICATIONS


CharacteristicsSpecification
额定电流/Current Rating5.0A MAX
额定电压/Voltage Rating100VAC
接触电阻/Contact Resistance40 millionhm max
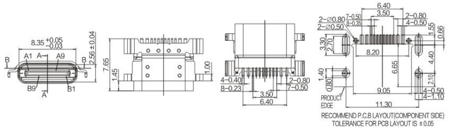
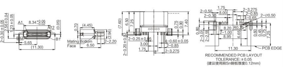
尺寸/Dimension11.30mm*7.60mm
温度/temperature range-30℃~85℃
绝缘电阻/Insulation Resistance100 megohms min



DIMENSIONS

Unit:mm

ModelDimensions

TYPE-C-10-002

TYPE-C-10-002/12-001

TYPE-C-10-002/12-001


ModelDimensions

TYPE-C-12-001TYPE-C-10-002/12-001

TYPE-C-10-002/12-001






 
X
GO TOP
GO TOP