SIM Card Connectors
SIM-3382
SIM卡座
MICRO SIM CARD 1.5掀盖式
FEATURE
surface mounting type..
‧Reflow solderable.
Application:
Digital products, computers, communication products, household appliances, etc.
Manual
COMMON SPECIFICATIONS
| Characteristics | Specification |
|---|
| 工作溫度範圍/Operating temperature range | -25℃ ~90℃ |
|---|
| 接觸電阻/Contact resistance | ≤100mΩ |
|---|
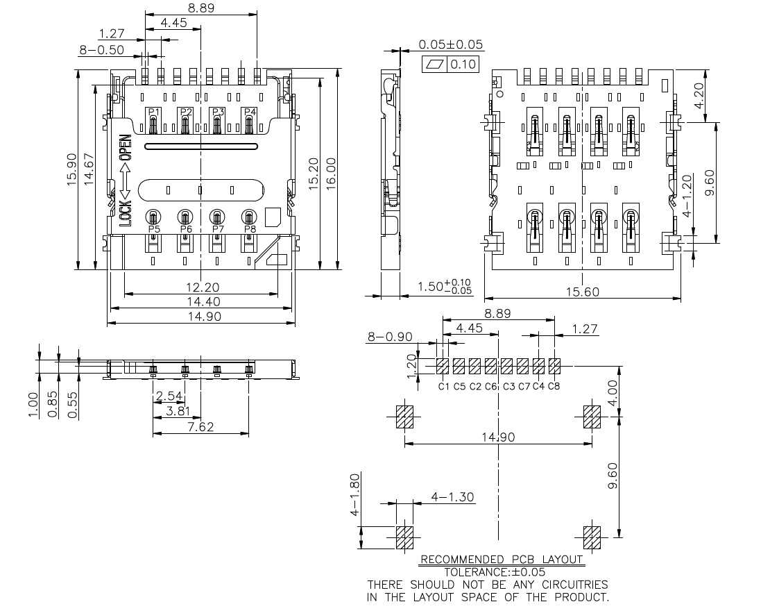
| 尺寸/Dimension | 14.4*16*1.5mm |
|---|
| 使用壽命/Operating life | 5000 cycles |
|---|
| 最大額定值/Maximum ratings | DC 5V 0.5A |
|---|
| 絕緣電阻/Insulation resistance | ≥100MΩ |
|---|
| 耐電壓/Voltage proof | 500V AC |
|---|
DIMENSIONS
Unit:mm
| Model | Dimensions |
|---|
SIM-3382 
|  |
GO TOP
-
-
-
-
WeChat

-
-
GO TOP