Dongguan Yanghan Industrial Co., Ltd.

开启搜索
CLOSE
SEARCH

Micro/Mini USB MICRO USB插座

USB-MF015V
Micro/Mini USB JACK SERIES

USB-MF015V

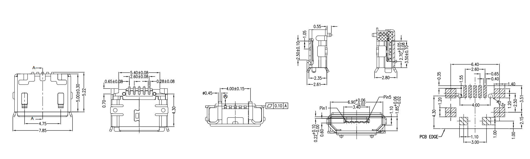
MICRO USB 5PF Type B SMT FEATURE ‧ 5.00mm*7.85mm ‧ 90 degrees SMD ‧ Reflow soldering APPLICATIONS ‧ Used in mobile, audio-visual, automotive electronics, multimedia, electrical appliances, Electronic toys visible interphone MP3, MP4, DVD
 

Manual

COMMON SPECIFICATIONS

CharacteristicsSpecification
额定电流/Current Rating1.5A/contact terminal
额定电压/Voltage Rating30V DC
接触电阻/Contact Resistance30MΩ
尺寸/Dimension5.00mm*7.85mm
电压/Dielectric Withstabding Voltage100V DC
绝缘电阻/Insulation Resistance100MΩ min


DIMENSIONS

Unit:mm

ModelDimensions

USB-MF015VUSB-MF015V

USB-MF015V

Unit:mm









 
X
GO TOP
GO TOP