Dongguan Yanghan Industrial Co., Ltd.

开启搜索
CLOSE
SEARCH

Micro/Mini USB MICRO USB插座

USB-MG025Y
Micro/Mini USB JACK SERIES

USB-MG025Y

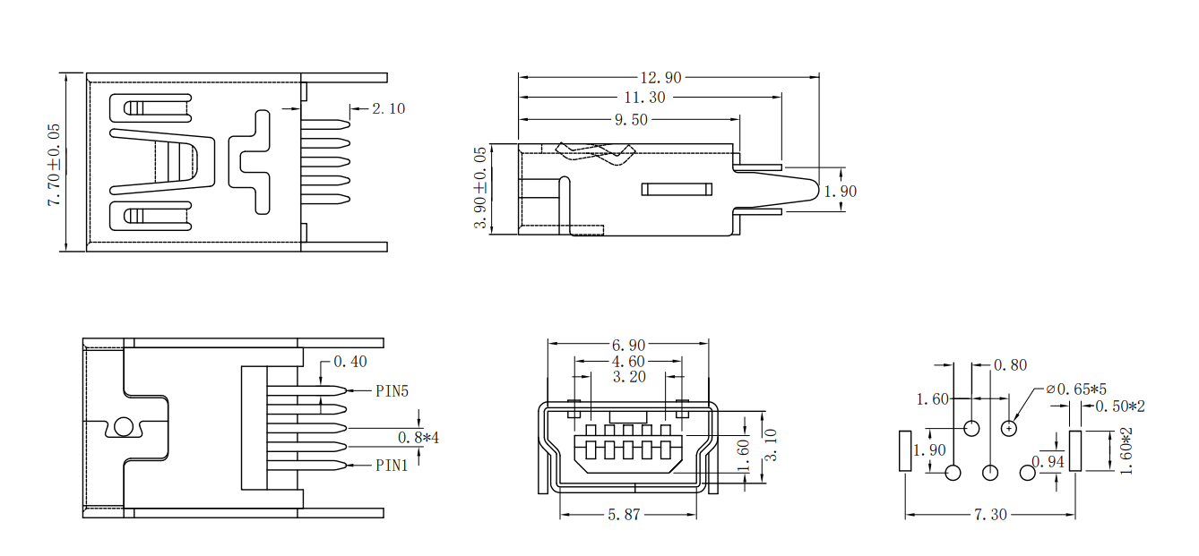
MINI USB 5PF 180 degree straight plug FEATURE ‧ 9.50mm*7.70mm ‧ 180 degrees DIP ‧ Wave soldering APPLICATIONS ‧ Used in mobile, audio-visual, automotive electronics, multimedia, electrical appliances, Electronic toys visible interphone MP3, MP4, DVD
 

Manual

COMMON SPECIFICATIONS

CharacteristicsSpecification
额定电流/Current Rating1A/contact terminal
额定电压/Voltage Rating30V DC
接触电阻/Contact Resistance30MΩ
尺寸/Dimension9.50mm*7.70mm
电压/Dielectric Withstabding Voltage100V DC
绝缘电阻/Insulation Resistance100MΩ min


DIMENSIONS

Unit:mm

ModelDimensions

USB-MG025YUSB-MG025Y

USB-MG025Y

Unit:mm









 
X
GO TOP
GO TOP